Solutions
Horse Construction offers full range of structural strengthening materials with technical supports, documentation supports, products supports, project supports.
carbon fiber strengthening RC beam
Carbon fiber strengthening concrete structural members have the following ways
(1) Paste carbon fiber along the main axis of the component to improve the bending resistance of the component
(2) Paste carbon fiber along the vertical direction of the main axis of the component, and the shear force is shared by the carbon fiber and the stirrup to improve the shear resistance of the component;
(3) Paste carbon fiber along the vertical direction of the main axis of the component to constrain the strengthening part to improve the ductility of the strengthening part and improve the seismic performance of the component;
(4) Paste and strengthen the tension member along the axial direction of the member;
(5) Paste the strengthening axial compression member along the ring direction;
(6) During bending reinforcement, the method of prestressing the carbon fiber sheet can be used to improve the reinforcement effect.
Carbon fiber cloth to reinforce existing buildings
During the construction or use of building components, cracks will always appear due to various reasons such as design, material, temperature, load, or due to changes in performance. At this time, it is necessary to reinforce the components according to the actual situation.
1 Flexural reinforcement of strengthening concrete beams
(1) Carbon fiber strengthening ancient buildings
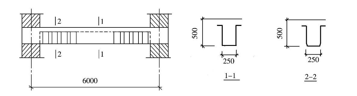
The office building of a certain factory is a three-story brick-concrete structure building. It has been built for more than 40 years. Due to the long service life and partial interior decoration, the use load of the building has increased. According to the owner's request, the building was strengthening. Analyze the results of empirical calculations and strengthen the strengthening concrete beams in the foyer.
The strengthening concrete beam in the hall has a lower label (old standard 200 #), a span of 6 m, and its width and height are 250 and 500 mm respectively. Because its flexural capacity and end shear capacity need to be greatly improved, 3 layers of carbon fiber cloth are covered along the bottom of the beam. Two layers of 200 mm wide U-shaped carbon fiber cloth are pasted within 1.2 m of the end, with a spacing of 100 mm. The first U-shaped carbon fiber cloth is 50 mm away from the support.

(2) Carbon fiber strengthening damaged components
A certain unit factory building has 8 floors, a frame structure, and a pile foundation. Due to uneven settlement (maximum 12cm), most of the beams on the 1st to 6th floors of the factory have cracks with a width of 0.2 to 4.5 mm. Some cracks penetrate the full height of the beam. After appraisal, the reliability of the component is Class C, and the beam needs to be strengthened immediately. Taking into account the complex construction conditions on site, the large amount of work, and the tight construction period, after comparing and selecting multiple options, it was decided to use carbon fiber cloth for reinforcement.
The reinforcement plan is to stick two layers of 10cm wide carbon fiber cloth on the bottom of the beam, and at the same time use "U"-shaped carbon fiber cloth at both ends of the beam to anchor the bottom carbon fiber cloth.

2. Shear reinforcement of strengthening concrete beams
The two-span main beams of a strengthening concrete frame structure in a large public building area have span lengths of 20m (beam cross-section 450mm×1700mm) and 4.25m (beam cross-section 450mm×650mm). The concrete strength grade is C28, and the stirrup φ10 @200 (hoop of limbs). Since the main beam of the frame has a concentrated load from nine secondary beams, the beam bears a shear force of 1322. 9kN. The shear capacity of the oblique section of the beam is 1323. 5kN, which just meets the requirements. However, it was found from the field investigation that there were many cracks in the girder, and some cracks were even wider than 0.5mm, which affected the structural bearing capacity and reduced the durability and applicability of the structure. Taking into account the importance of the building, starting from improving the structural safety, the main beam of the frame was strengthening.
Because the frame structure is an exhibition hall, it needs a large space and has strict restrictions on the impact of the construction. In this way, traditional reinforcement methods are difficult to implement, so it was finally decided to use carbon fiber reinforcement technology to improve the shear capacity of the main beam of the strengthening concrete frame. In order to ensure that the carbon fiber sheet strengthening beam can achieve better results and ensure the anchoring performance to avoid bonding damage, the reinforcement adopts a U-shaped strip compression strip reinforcement method

In conclusion
(1) When carbon fiber sheets are used for structural reinforcement, construction is particularly important, and the construction quality must be ensured, otherwise the reinforcement effect will be greatly reduced;
(2) The anchoring performance of carbon fiber has a great influence on the reinforcement effect. In order to ensure the shear reinforcement effect and give full play to the strength of carbon fiber, it is necessary to do a good job of anchoring the carbon fiber sheet;
(3) Reinforcing concrete beams with carbon fiber cloth can reduce the expansion of cracks. The beams strengthening with carbon fiber cloth have smaller cracks, narrower and smaller spacing than those of unstrengthening beams. Especially after cracks appear, it can effectively inhibit the development of cracks.
(4) Reinforcing with carbon fiber cloth can obviously increase the ultimate bearing capacity of the beam. For the bearing capacity of the beam, the increase of the two layers is not twice that of the one layer.
You can find anything here you are in need of, have a trust trying on these products, you will find the big difference after that.
High strength carbon fiber reinforced polymer (CFRP) strip / laminate / plate for structural strengthening and concrete repair
High strength, unidirectional carbon fiber fabric pre-saturated to form a carbon fiber reinforced polymer (CFRP) fabric used to strengthen structural concrete elements.
High strength, unidirectional carbon fiber sheet pre-saturated to form a carbon fiber reinforced polymer (CFRP) sheet used to strengthen structural concrete elements.